自耦变压器和风扇设计方案
来源:电子工程专辑 发布时间:2022-04-27
分享至微信

几年前,我写了一篇题为“在两线路电压上使用115V 风扇”(Using One 115V Fan On Two Line Voltages)的文章。其本质是通过将电源变压器的初级绕组用作自耦变压器(autotransformer),从而将额定为一个线电压的风扇马达切换为以两倍于 120V/240V 服务的线电压运行。
上述文章的要点在前两个插图中:

图1:直接供电

图2:自耦变压器供电
我所省略的是查看需要通过变压器T1的磁性传输多少风扇功率。看看下面的SPICE模型如何解决这个问题。
由于我的SPICE版本中并不包括自耦变压器。因此,我必须设计一个使用两个 1:1 匝数比变压器的模型。在图左侧的黄色阴影绕组,正是利用自耦变压器特性之处。两个右侧绕组之间的耦合允许该模型在升压或降压服务中发挥作用,如下图所示:

图3:自耦变压器升压

图4:自耦变压器降压
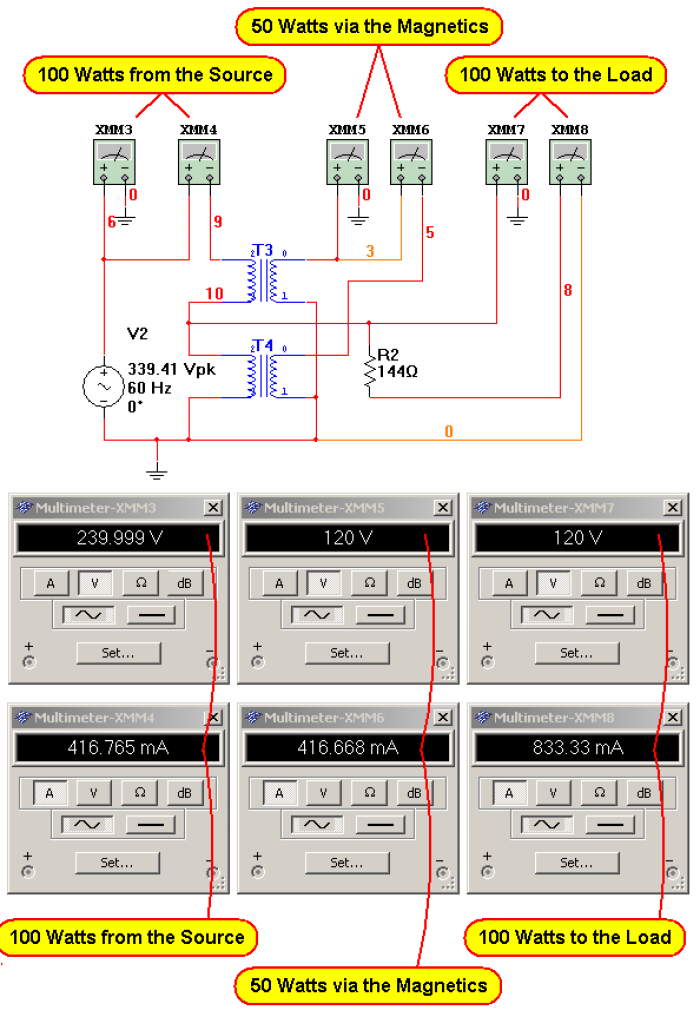
让它以降压方式在 100 瓦(W)负载(为便于说明此处选择任意瓦数)上运作,我们可以检查如下两个右侧线圈的电压和电流,从而查看通过磁体的功率传输:

图5:磁功率分数
约有一半的负载功率通过磁体传送到该负载。
我曾经以代数方式得出过这个结论,但那些笔记早已不复存在。尽管如此,看到能以这种方式确认的结果感觉真好!
编译:Susan Hong
(参考原文:Autotransformer and fan,by John Dunn)
责编:Jimmy.zhang
[ 新闻来源:电子工程专辑,更多精彩资讯请下载icspec App。如对本稿件有异议,请联系微信客服specltkj]
存入云盘 收藏
举报
全部评论
暂无评论哦,快来评论一下吧!
电子工程专辑
开创IC领域,共创美好未来!
查看更多
相关文章
新型存储器HBF:兼顾高带宽与低成本的数据存储方案
2025-10-07
艾迈斯欧司朗推出面向创新汽车设计的新一代氛围灯解决方案
2025-10-27
大联大友尚集团推出基于MPS产品的同步降压变换器方案
2025-09-17
腾辉将推出AI服务器PCB新型材料解决方案
2025-10-22
热门搜索
英伟达反超苹果,台积电最大客户换人
华邦电董事长:存储产业2~3年内供需重获平衡
安世中国发布致客户信
华为
台积电
中芯国际
联发科
高通
英特尔
